स्वतंत्र दोहरी-पोल सीमा यात्रा स्विच एक स्वचालित नियंत्रण घटक है जो यांत्रिक गति द्वारा ट्रिगर किया गया है। इसका मुख्य कार्य सर्किट के उद्घाटन और समापन, उपकरणों की शुरुआत और स्टॉप, या सीमा सुरक्षा को प्राप्त करने के लिए किसी वस्तु के विस्थापन या स्ट्रोक का पता लगाना है। यह औद्योगिक स्वचालन और इलेक्ट्रोमैकेनिकल उपकरणों में एक अपरिहार्य 'सुरक्षा प्रहरी' और 'एक्शन कमांडर' है।
बदलना परिचयआचरण
यात्रा स्विच (एक सीमा स्विच के रूप में भी जाना जाता है) एक स्वचालित नियंत्रण घटक है जो यांत्रिक गति से ट्रिगर होता है। इसका मुख्य कार्य सर्किट के उद्घाटन और समापन, उपकरणों की शुरुआत और स्टॉप, या सीमा सुरक्षा को प्राप्त करने के लिए किसी वस्तु के विस्थापन या स्ट्रोक का पता लगाना है। यह औद्योगिक स्वचालन और इलेक्ट्रोमैकेनिकल उपकरणों में एक अपरिहार्य 'सुरक्षा प्रहरी' और 'एक्शन कमांडर' है।
बदलना आवेदनटियोन
घर के उपकरणों और स्मार्ट होम में आवेदन:
वॉशिंग मशीन:फ्रंट-लोडिंग वॉशिंग मशीन के दरवाजे पर एक सीमा स्विच स्थापित किया गया है। उपकरण केवल तभी शुरू होगा जब दरवाजा पूरी तरह से बंद हो जाएगा और स्विच सर्किट को सक्रिय करता है, जो ऑपरेशन के दौरान पानी के रिसाव या कपड़ों को बाहर फेंकने से रोकता है।
रेफ्रिजरेटर/ओवन:जब एक रेफ्रिजरेटर का दरवाजा बंद हो जाता है, तो स्विच आंतरिक प्रकाश को बंद करने के लिए ट्रिगर करता है। इसके विपरीत, यदि एक ओवन का दरवाजा सुरक्षित रूप से बंद नहीं होता है, तो स्विच गर्मी के रिसाव को रोकने के लिए हीटिंग तत्वों को बिजली काट देगा।
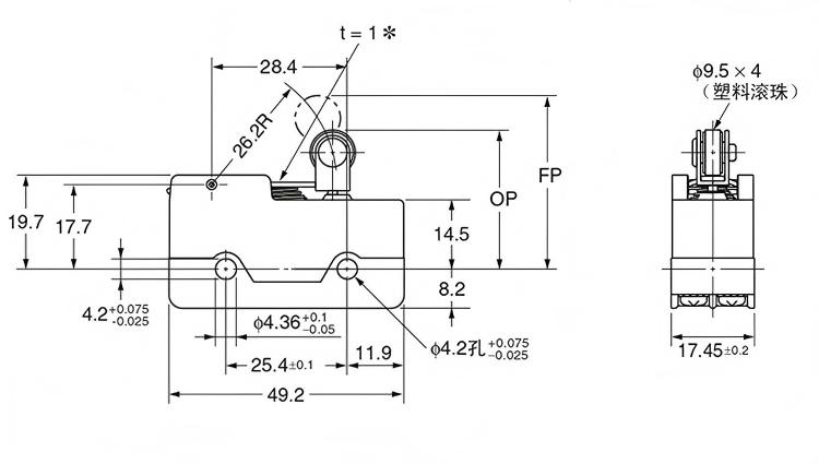
बदलना विवरण
