यूकिंग टोंगडा वायर इलेक्ट्रिक फैक्ट्री के एक प्रतिनिधि उत्पाद के रूप में, जो मुख्य मानकीकरण और अनुकूलन के एकीकरण का प्रतीक है, जूसर वैक्यूम क्लीनर प्रिंटर और अन्य उपकरणों के लिए माइक्रो स्विच "स्थिरता, विश्वसनीयता और दृश्य अनुकूलता" के मूल सिद्धांतों के साथ डिज़ाइन किया गया है। इसमें कंपनी की 35 वर्षों की स्विच निर्माण विशेषज्ञता शामिल है, जो विद्युत प्रदर्शन, सुरक्षा स्तर और उपयोगकर्ता अनुभव में कई अनुकूलन प्राप्त करती है। यह स्विच स्मार्ट होम पावर वितरण, औद्योगिक सहायक उपकरण और छोटे चिकित्सा उपकरणों जैसे परिदृश्यों पर व्यापक रूप से लागू होता है, जो इसे एक पसंदीदा सर्किट नियंत्रण घटक बनाता है जो अनुकूलन क्षमता के साथ सार्वभौमिकता को संतुलित करता है।
सूक्ष्म स्विचपरिचय
निम्नलिखित प्रमुख उत्पादन चरण हैं जिन्हें खरीदारों को उत्पाद की गुणवत्ता का आकलन करने के लिए समझने की आवश्यकता है:
1. घटक विनिर्माण: सटीक रूप से मशीनीकृत धातु संपर्क और स्प्रिंग्स; टिकाऊ आवरण (प्लास्टिक/धातु सामग्री)।
2. असेंबली: प्रदर्शन को प्रभावित होने से बचाने के लिए स्प्रिंग्स, कॉन्टैक्ट्स और एक्चुएटर्स को सटीक रूप से असेंबल करना।
3. परीक्षण: विश्वसनीयता सुनिश्चित करने के लिए सख्त परीक्षण (हजारों प्रेस परीक्षण, विद्युत निरंतरता परीक्षण)।
4. पैकेजिंग: विशिष्टताओं के स्पष्ट लेबलिंग के साथ आसान परिवहन के लिए सुरक्षात्मक पैकेजिंग।
सूक्ष्म स्विचआवेदन
माइक्रो स्विच व्यापक रूप से उपयोग किए जाते हैं और प्रदर्शन में विश्वसनीय होते हैं, मुख्य रूप से इनका उपयोग किया जाता है:
- घरेलू उपकरण: रेफ्रिजरेटर लाइट, माइक्रोवेव ओवन के दरवाजे के ताले, वॉशिंग मशीन के ढक्कन स्विच और टोस्टर टाइमर।
- औद्योगिक उपकरण: कन्वेयर बेल्ट, मशीनरी और नियंत्रण पैनल (धूलरोधी और नमीरोधी) के लिए उपयुक्त हेवी-ड्यूटी मॉडल।
- ऑटोमोटिव क्षेत्र: विंडशील्ड वाइपर, दरवाजा-अजार संकेतक - कंपन और अत्यधिक तापमान का सामना करने में सक्षम।
- इलेक्ट्रॉनिक उपकरण: रिमोट कंट्रोल और गेम कंट्रोलर के लिए लघु स्विच (उत्तरदायी और लंबे समय तक चलने वाले)।
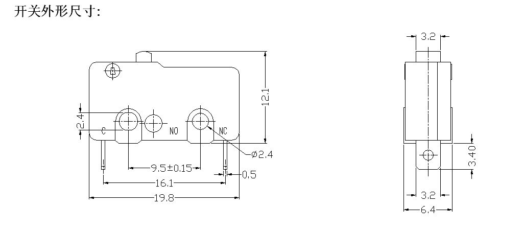
सूक्ष्म स्विच विनिर्देश
| स्विच तकनीकी विशेषताएँ: | |||
| वस्तु | तकनीकी मापदण्ड | कीमत | |
| 1 | विद्युत मूल्यांकन | 5(2)ए 125वी/250वीएसी 10(3)125वी/250वीएसी | |
| 2 | संपर्क प्रतिरोध | ≤50mΩ प्रारंभिक मान | |
| 3 | इन्सुलेशन प्रतिरोध | ≥100MΩ (500VDC) | |
| 4 |
ढांकता हुआ वोल्टेज |
बीच में गैर-कनेक्टेड टर्मिनल |
500V/0.5mA/60S |
| टर्मिनलों के बीच और धातु फ्रेम |
1500V/0.5mA/60S | ||
| 5 | विद्युत जीवन | ≥10000 चक्र | |
| 6 | यांत्रिक जीवन | ≥100000 चक्र | |
| 7 | परिचालन तापमान | -25~125℃ | |
| 8 | परिचालन आवृत्ति | विद्युत :15 चक्र यांत्रिक: 60 चक्र |
|
| 9 | कंपन प्रमाण | कंपन आवृत्ति :10~55HZ; आयाम: 1.5 मिमी; तीन दिशाएँ :1H |
|
| 10 | सोल्डर क्षमता: 80% से अधिक डूबा हुआ भाग सोल्डर से कवर किया जाएगा |
सोल्डरिंग तापमान: 235±5℃ विसर्जन का समय :2~3एस |
|
| 11 | सोल्डर ताप प्रतिरोध | डिप सोल्डरिंग: 260±5℃ 5±1S मैनुअल सोल्डरिंग: 300±5℃ 2~3S |
|
| 12 | सुरक्षा स्वीकृतियाँ | UL、CSA、VDE、ENEC、CE | |
| 13 | परीक्षण की स्थितियाँ | परिवेश का तापमान: 20±5℃ सापेक्ष आर्द्रता: 65±5%आरएच वायुदाब: 86~106KPa |
|
टोंगडा वायर इलेक्ट्रिक माइक्रो यूएसबी इनलाइन पावर स्विच विवरण


