यूक्विंग टोंगडा वायर इलेक्ट्रिक फैक्ट्री की माइक्रो स्विच श्रृंखला के बेंचमार्क मॉडल के रूप में, माइक्रोवेव ओवन और वॉशिंग मशीन माइक्रो स्विच में इसके मुख्य फायदे "उच्च संवेदनशीलता, अल्ट्रा-लंबे जीवनकाल और बहु-परिदृश्य अनुकूलनशीलता" हैं। कंपनी की 35 वर्षों की स्विच निर्माण विशेषज्ञता को एकीकृत करते हुए, यह अपने न्यूनतम संपर्क अंतराल और तीव्र कार्रवाई तंत्र की बदौलत घरेलू उपकरणों, ऑटोमोटिव इलेक्ट्रॉनिक्स, औद्योगिक स्वचालन और अन्य क्षेत्रों में एक प्रमुख नियंत्रण घटक बन गया है। इसके प्रदर्शन और विश्वसनीयता को दुनिया भर के कई आधिकारिक संगठनों द्वारा प्रमाणित किया गया है, जिससे विशिष्ट बाजार में इसकी मुख्यधारा की स्थिति सुरक्षित हो गई है।
माइक्रो स्विच परिचय
उत्पाद ने यूएल, सी-यूएल, ईएनईसी, वीडीई, सीई, सीबी, टीयूवी, सीक्यूसी और केसी सहित प्रमुख वैश्विक सुरक्षा प्रमाणपत्र प्राप्त किए हैं, जो आईईसी 61058 मानक का अनुपालन करता है, और यूरोप, अमेरिका और एशिया-प्रशांत जैसे क्षेत्रों में बाजार पहुंच आवश्यकताओं को पूरा करता है। कंपनी ने ISO9001 और IATF 16949 गुणवत्ता प्रबंधन प्रणाली प्रमाणन प्राप्त किया है और पूरी उत्पादन प्रक्रिया के दौरान परिष्कृत नियंत्रण सुनिश्चित करते हुए RoHS और REACH पर्यावरण निर्देशों को सख्ती से लागू करती है। 6 राष्ट्रीय आविष्कार पेटेंट और 48 उपयोगिता मॉडल पेटेंट के साथ, एचके-14 श्रृंखला विश्वसनीयता और स्थिरता के उद्योग-अग्रणी स्तर को प्राप्त करती है।
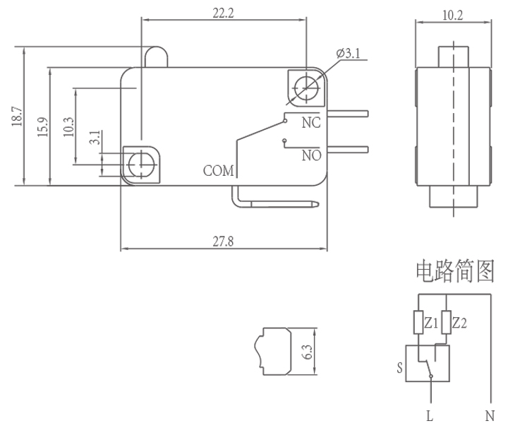
स्थापना और उपयोग दिशानिर्देश
स्थापित करते समय, स्विच को एक सपाट सतह पर लगाया जाना चाहिए और असमान सतहों के कारण होने वाली खराबी या आवरण क्षति को रोकने के लिए एक फ्लैट वॉशर या स्प्रिंग वॉशर के साथ बांधा जाना चाहिए। पर्यावरण के आधार पर मॉडल चुनें: आर्द्र या धूल भरी स्थितियों के लिए, सुरक्षा बढ़ाने के लिए सीलबंद कस्टम संस्करण का उपयोग करने की अनुशंसा की जाती है। संपर्क चिपकने, कार्यात्मक विफलताओं, या यहां तक कि बर्नआउट को रोकने के लिए बटन या एक्चुएटर पर चिकनाई वाला तेल न लगाएं। भंडारण के दौरान, उत्पाद को सूखे, हवादार क्षेत्र में रखें, बारिश या बर्फ से सुरक्षित रखें, और उच्च तापमान और आर्द्रता से बचें जो घटक उम्र बढ़ने का कारण बन सकता है, यह सुनिश्चित करते हुए कि उत्पाद अपने मूल प्रदर्शन को बरकरार रखता है।
माइक्रो स्विच पैरामीटर (विनिर्देश)
| स्विच तकनीकी विशेषताएँ: | |||
| वस्तु | तकनीकी मापदण्ड | कीमत | |
| 1 | विद्युत मूल्यांकन | 5(2)ए/10ए/16(3)ए/21(8)ए 250वीएसी | |
| 2 | संपर्क प्रतिरोध | ≤30mΩ प्रारंभिक मूल्य | |
| 3 | इन्सुलेशन प्रतिरोध | ≥100MΩ (500VDC) | |
| 4 |
ढांकता हुआ वोल्टेज |
बीच में गैर-कनेक्टेड टर्मिनल |
1000V/0.5mA/60S |
|
टर्मिनलों के बीच और धातु फ्रेम |
3000V/0.5mA/60S | ||
| 5 | विद्युत जीवन | ≥50000 चक्र | |
| 6 | यांत्रिक जीवन | ≥1000000 चक्र | |
| 7 | परिचालन तापमान | -25~125℃ | |
| 8 | परिचालन आवृत्ति |
विद्युत :15 चक्र यांत्रिक: 60 चक्र |
|
| 9 | कंपन प्रमाण |
कंपन आवृत्ति: 10~55HZ; आयाम: 1.5 मिमी; तीन दिशाएँ :1H |
|
| 10 |
सोल्डर क्षमता: 80% से अधिक डूबा हुआ भाग सोल्डर से कवर किया जाएगा |
सोल्डरिंग तापमान: 235±5℃ विसर्जन का समय :2~3एस |
|
| 11 | सोल्डर ताप प्रतिरोध |
डिप सोल्डरिंग: 260±5℃ 5±1S मैनुअल सोल्डरिंग: 300±5℃ 2~3S |
|
| 12 | सुरक्षा स्वीकृतियाँ | यूएल, सीएसए, वीडीई, ईएनईसी, टीयूवी, सीई, केसी, सीक्यूसी | |
| 13 | परीक्षण की स्थितियाँ |
परिवेश का तापमान: 20±5℃ सापेक्ष आर्द्रता: 65±5%आरएच वायुदाब :86~106KPa |
|
माइक्रो स्विच सुविधा और अनुप्रयोग
माइक्रो स्विच विवरण
