ऑटो पार्ट्स में प्लग कॉलम टाइप बटन माइक्रो स्विच में एक छोटा संपर्क अंतराल और एक त्वरित कार्रवाई तंत्र होता है, और निर्दिष्ट स्ट्रोक और बल के साथ कार्रवाई को स्विच करने के लिए संपर्क तंत्र शेल द्वारा कवर किया जाता है, और बाहर पर एक संचरण होता है, और आकार छोटा होता है।
उत्पाद परिचयआचरण
पुश-टू-पुश माइक्रो स्विच एक सामान्य इलेक्ट्रॉनिक घटक है जिसका उपयोग सर्किट के ऑन और ऑफ स्टेट को नियंत्रित करने के लिए किया जाता है। इसमें आमतौर पर एक बटन और एक स्विच होता है जो बटन दबाने पर स्थिति को बदल देता है।
पुश बटन स्विच एक ब्लिंकिंग प्रभाव का उपयोग कर सकते हैं, जब बटन दबाया जाता है, तो बटन उपयोगकर्ता का ध्यान आकर्षित करने के लिए झपकी लेगा।
उत्पाद आवेदनtion और विनिर्देश
प्लग कॉलम टाइप बटन माइक्रो स्विच का उपयोग प्रकाश को नियंत्रित करने के लिए किया जा सकता है, जब बटन दबाया जाता है, तो प्रकाश चालू या बंद हो जाएगा। इसका उपयोग विद्युत उपकरण, एयर कंडीशनर आदि के स्विच को नियंत्रित करने के लिए भी किया जा सकता है। औद्योगिक क्षेत्र में, पुश बटन स्विच का उपयोग व्यापक रूप से यांत्रिक उपकरणों की शुरुआत और रोकने के लिए किया जाता है। यह घरेलू, औद्योगिक, मोटर वाहन या इलेक्ट्रॉनिक उपकरण है, यह इस सरल नियंत्रण घटक से अविभाज्य है।
| तकनीकी विशेषताओं को स्विच करें: | |||
| वस्तु | तकनीकी मापदण्ड | कीमत | |
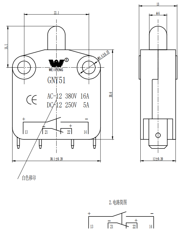
| 1 | विद्युत मूल्यांकन | 16A 250VAC | |
| 2 | संपर्क प्रतिरोध | ≤50m that प्रारंभिक मूल्य | |
| 3 | इन्सुलेशन प्रतिरोध | ≥100m and (500VDC) | |
| 4 |
ढांकता हुआ वोल्टेज |
बीच में गैर-जुड़े टर्मिनलों |
500V/0.5ma/60s |
| टर्मिनलों के बीच और धातु फ्रेम |
1500V/0.5ma/60s | ||
| 5 | विद्युत जीवन | ≥50000 चक्र | |
| 6 | यांत्रिक जीवन | ≥100000 चक्र | |
| 7 | परिचालन तापमान | -25 ~ 125 ℃ | |
| 8 | प्रचालन आवृत्ति | विद्युत: 15 चक्र यांत्रिक: 60 चक्र |
|
| 9 | कंपन प्रमाण | कंपन आवृत्ति: 10 ~ 55Hz; आयाम: 1.5 मिमी; तीन दिशाएँ: 1h |
|
| 10 | मिलाप क्षमता: 80% से अधिक विसर्जित भाग मिलाप के साथ कवर किया जाएगा |
टांका लगाने का तापमान: 235 ℃ 5 ℃ विसर्जन का समय: 2 ~ 3s |
|
| 11 | मिलाप गर्मी प्रतिरोध | डुबकी सोल्डर: 260 ± 5 ± 5 ± 1s मैनुअल सोल्डरिंग: 300 ℃ 5 ℃ 2 ~ 3s |
|
| 12 | सुरक्षा अनुमोदन | Ul 、 csa 、 tuv 、 cqc 、 CE | |
| 13 | परीक्षण की स्थितियाँ | परिवेश का तापमान: 20 ℃ 5 ℃ सापेक्ष आर्द्रता: 65%5%आरएच हवा का दबाव: 86 ~ 106kpa |
|
उत्पाद विवरण


